פרופילי H
אספקת פרופילי H, פרופילי אלומיניום סטנדרטיים במגוון מידות, עיבודים וגימורים. ביצוע חיתוך הפרופילים במקום.
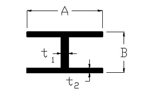
פרופילי H
|
g/m |
T2mm |
T1mm |
Bmm |
Amm |
|
331 |
1.3 |
1.3 |
18 |
65.1 |
|
518 |
2.0 |
2.0 |
25 |
50 |
|
594 |
2 |
3 |
20 |
43 |
|
1743 |
4.5 |
4 |
80 |
40 |
|
525 |
2.0 |
2.0 |
22.5 |
40 |
|
993 |
4 |
4 |
20 |
40 |
|
381 |
1.2 |
1.2 |
50 |
35 |
|
338 |
1.25 |
1.25 |
38.7 |
32 |
|
329 |
1.45 |
2.0 |
18 |
32 |
|
393 |
1.5 |
1.5 |
40 |
30 |
|
496 |
2 |
2 |
36 |
30 |
|
341 |
1.5 |
1.5 |
27.3 |
30 |
|
332 |
1.5 |
1.5 |
25 |
30 |
|
313 |
1.5 |
1.5 |
20.3 |
30 |
|
391 |
1.95 |
3.0 |
14 |
30 |
|
270 |
1.45 |
2.0 |
10 |
30 |
|
837 |
3 |
3.5 |
50 |
26 |
|
315 |
1.8 |
1.8 |
20.5 |
24 |
|
297 |
1.7 |
1.7 |
20 |
24 |
|
466 |
1.5 |
1.5 |
85 |
16.5 |
|
462 |
1.5 |
1.5 |
84 |
16.5 |